Einbau vom Walltherm bei meinen Eltern
Einbau vom Walltherm bei meinen Eltern
Guten Tag an alle das hier ist in diesem Forum mein erstes Thema.
Möchte mich kurz vorstellen.
Wohne in BW in der Nähe von Stuttgart genauer gesagt in Backnang.
Zu meinem technischen hintergrundwissen ich habe eine Ausbildung zum Elektroinstallateur gemacht und danach noch Elektrotechnik Studiert denke also elektrisch gesehen dürfte mein vorhaben realisierbar sein.
Nun Zu meinem vorhaben meine Eltern haben zuahsue eine 20 Jahre alte Ölheizung.
Geheizt wird das Haus (Wohnfläche ca.160qm davon beheizt ca.100qm) mit Heizkörpern in jedem Raum einer.
Nun soll im Wohnzimmer wo derzeit noch ein Kaminofen mit ca 10KW steht ein Walltherm eingebaut werden.
Die Ölheizung soll aber weiterhin erhalten bleiben fals meine Eltern mal keine Lust haben Feuer zu machen oder im Urlaub sind.
Desweiteren gibt es im Heizraum noch eine Luft/Wasser Wärmepumpe für Brauchwasser (Speicher 300l mit 2 WT) von Stribel Eltron kann den genauen Typ auch noch in Erfahrung bringen ist ca 5 Jahre alt.
Nun soll im nebenraum in der Waschküche ein Pufferspeicher mit 1000l aufgestellt werde um die überschüssige Energie vom Walli abfangen zu können.
Nun meine Frage an Euch wie würdet ihr das Heizungtechnisch genau anschließen und welchen Puffertyp mit WT oder ohne und mit Weichschaum oder Hartschaumisolierung würdet ihr nehmen.
Zum Steuern soll eine UVR1611 verwendet werden die ich dann Programmieren werde.
Könnt ihr mir ein paar Tips geben wie das System verrohrt werden muss und wo welcher mischer oder Sonstiges eingebaut werden muß?
Möchte mich kurz vorstellen.
Wohne in BW in der Nähe von Stuttgart genauer gesagt in Backnang.
Zu meinem technischen hintergrundwissen ich habe eine Ausbildung zum Elektroinstallateur gemacht und danach noch Elektrotechnik Studiert denke also elektrisch gesehen dürfte mein vorhaben realisierbar sein.
Nun Zu meinem vorhaben meine Eltern haben zuahsue eine 20 Jahre alte Ölheizung.
Geheizt wird das Haus (Wohnfläche ca.160qm davon beheizt ca.100qm) mit Heizkörpern in jedem Raum einer.
Nun soll im Wohnzimmer wo derzeit noch ein Kaminofen mit ca 10KW steht ein Walltherm eingebaut werden.
Die Ölheizung soll aber weiterhin erhalten bleiben fals meine Eltern mal keine Lust haben Feuer zu machen oder im Urlaub sind.
Desweiteren gibt es im Heizraum noch eine Luft/Wasser Wärmepumpe für Brauchwasser (Speicher 300l mit 2 WT) von Stribel Eltron kann den genauen Typ auch noch in Erfahrung bringen ist ca 5 Jahre alt.
Nun soll im nebenraum in der Waschküche ein Pufferspeicher mit 1000l aufgestellt werde um die überschüssige Energie vom Walli abfangen zu können.
Nun meine Frage an Euch wie würdet ihr das Heizungtechnisch genau anschließen und welchen Puffertyp mit WT oder ohne und mit Weichschaum oder Hartschaumisolierung würdet ihr nehmen.
Zum Steuern soll eine UVR1611 verwendet werden die ich dann Programmieren werde.
Könnt ihr mir ein paar Tips geben wie das System verrohrt werden muss und wo welcher mischer oder Sonstiges eingebaut werden muß?
Re: Einbau vom Walltherm bei meinen Eltern
Hallo,
kein Heizungsbauer involviert? Beachte bitte: Wenn du den Walli nicht von einem Fachmann einbauen lässt gibts auch keine Garantie.
Der Walli braucht auch noch Frischwasser und einen Abwasseranschluss für die Sicherheitseinrichtungen. Und deine Skizze in ehren, aber die Leitungen vom Heizkreis fehlen.
Es wäre auch interessant was für Temperaturen ihr fahrt und was für ne Heizlast das Objekt hat.
Walli: Die Rücklaufanhebung die dabei ist sollte so nah wie möglich am Walli angebaut werden. Zuluft kann man durch den Boden legen, wobei in dem Fall der warme Puffer im selben Raum steht in dem dann auch die kalte Zuluft nachströmt.
BWWP: Grundlegende Möglichkeiten die mir einfallen: Den Vorlauf vom Walli einfach durch den WT und dann zum großen Puffer. Allerdings ist der Vorlauf vom Walli recht heiß so dass im Speicher viel Kalk ausfallen wird.
Die nächste Stufe wäre ein Zonenventil das zwischen Puffer und Speicher umschaltet.
Oder eine Pumpe die im Bedarfsfall die Wärme ausm Puffer in den Speicher transportiert. Problem ist dabei allerdings das die Rücklauftemperatur sehr niedrig ist und den Puffer durchmischt.
Ölkessel: Die BWWP macht das bissl kompliziert, ohne hätte ich gesagt Kombispeicher und den Öler mit aufn Puffer klemmen. In dem Fall nicht sinnvoll.
Einfachst Lösung wäre es den Puffer einfach in den Heizkreis mit reinzuklemmen und den Öler dauerhaft durchströmen zu lassen, der springt dann halt an wenn der Heizkreis zu kalt wird. Man hat aber enorme Verluste (Kessel = Heizkörper) weil ein Teil der Wärme durch den Kamin abzieht.
Ein Verteilerbalken (hydraulische Weiche) würde das aufdröseln. Dabei werden alle Quellen und Abnehmer an den Balken geklemmt und der Puffer bekommt nur das an Wärme was am Heizkreis oder im Speicher nicht direkt verbraucht wird. Dafür gibt es Systemkomponenten die schnell montiert sind aber gut Geld kosten.
Puffer: Da ja ein Brauchwassersepeicher vorhanden ist und auch noch ne weile halten wird genügt meiner Ansicht nach ein einfacher Puffer ohne irgendwelche Innereien. Keine Wärmetauscher, kein Schichtladesystem.
Puffer gibts praktisch nur mit Weichschaumisolierung. Grund ist vor allem die Größe beim Einbringen, die Dinger sind meist so gebaut das man sie ohne Isolierung durch eine normale Türe durchbekommt. Nachträglich anbringen lässt sich da natürlich nur Weichschaum.
Man kann aber auch ne Kiste um den Puffer bauen und aufschütten, dann sind auch die Anschlüsse (Schwachstelle) gut isoliert. Nachteil ist der hohe Aufwand wenn mal was Leck schlägt.
Alle Klarheiten beseitigt?
mfg JAU
kein Heizungsbauer involviert? Beachte bitte: Wenn du den Walli nicht von einem Fachmann einbauen lässt gibts auch keine Garantie.
Der Walli braucht auch noch Frischwasser und einen Abwasseranschluss für die Sicherheitseinrichtungen. Und deine Skizze in ehren, aber die Leitungen vom Heizkreis fehlen.
Es wäre auch interessant was für Temperaturen ihr fahrt und was für ne Heizlast das Objekt hat.
Walli: Die Rücklaufanhebung die dabei ist sollte so nah wie möglich am Walli angebaut werden. Zuluft kann man durch den Boden legen, wobei in dem Fall der warme Puffer im selben Raum steht in dem dann auch die kalte Zuluft nachströmt.
BWWP: Grundlegende Möglichkeiten die mir einfallen: Den Vorlauf vom Walli einfach durch den WT und dann zum großen Puffer. Allerdings ist der Vorlauf vom Walli recht heiß so dass im Speicher viel Kalk ausfallen wird.
Die nächste Stufe wäre ein Zonenventil das zwischen Puffer und Speicher umschaltet.
Oder eine Pumpe die im Bedarfsfall die Wärme ausm Puffer in den Speicher transportiert. Problem ist dabei allerdings das die Rücklauftemperatur sehr niedrig ist und den Puffer durchmischt.
Ölkessel: Die BWWP macht das bissl kompliziert, ohne hätte ich gesagt Kombispeicher und den Öler mit aufn Puffer klemmen. In dem Fall nicht sinnvoll.
Einfachst Lösung wäre es den Puffer einfach in den Heizkreis mit reinzuklemmen und den Öler dauerhaft durchströmen zu lassen, der springt dann halt an wenn der Heizkreis zu kalt wird. Man hat aber enorme Verluste (Kessel = Heizkörper) weil ein Teil der Wärme durch den Kamin abzieht.
Ein Verteilerbalken (hydraulische Weiche) würde das aufdröseln. Dabei werden alle Quellen und Abnehmer an den Balken geklemmt und der Puffer bekommt nur das an Wärme was am Heizkreis oder im Speicher nicht direkt verbraucht wird. Dafür gibt es Systemkomponenten die schnell montiert sind aber gut Geld kosten.
Puffer: Da ja ein Brauchwassersepeicher vorhanden ist und auch noch ne weile halten wird genügt meiner Ansicht nach ein einfacher Puffer ohne irgendwelche Innereien. Keine Wärmetauscher, kein Schichtladesystem.
Puffer gibts praktisch nur mit Weichschaumisolierung. Grund ist vor allem die Größe beim Einbringen, die Dinger sind meist so gebaut das man sie ohne Isolierung durch eine normale Türe durchbekommt. Nachträglich anbringen lässt sich da natürlich nur Weichschaum.
Man kann aber auch ne Kiste um den Puffer bauen und aufschütten, dann sind auch die Anschlüsse (Schwachstelle) gut isoliert. Nachteil ist der hohe Aufwand wenn mal was Leck schlägt.
Alle Klarheiten beseitigt?
mfg JAU
Zuletzt geändert von JAU am 3. Jan 2014, 12:33, insgesamt 1-mal geändert.
Grund: Reihenfolge der Absätze geändert
Grund: Reihenfolge der Absätze geändert
Re: Einbau vom Walltherm bei meinen Eltern
zum Puffer:
ich habe einen teuren Puffer mit Schichtung und innenliegendem Wärmetauscher für Warmwasser.
Den ganzen Schichtungskram kannste dir sparen. Das mit der Weichschaumisolierung auch. Entweder hast du eine teure Hartschaum/Styropor Dämmung oder du kannst das auch mit guter Steinwolle/Glaswolle machen. Vorher alles gut angschließen mit vielen Temperaturfühlern und dann dick einpacken. Das reicht!
ich habe einen teuren Puffer mit Schichtung und innenliegendem Wärmetauscher für Warmwasser.
Den ganzen Schichtungskram kannste dir sparen. Das mit der Weichschaumisolierung auch. Entweder hast du eine teure Hartschaum/Styropor Dämmung oder du kannst das auch mit guter Steinwolle/Glaswolle machen. Vorher alles gut angschließen mit vielen Temperaturfühlern und dann dick einpacken. Das reicht!
-
Oberfranke
- Beiträge: 110
- Registriert: 7. Nov 2013, 22:19
Re: Einbau vom Walltherm bei meinen Eltern
Hallo,
System komplett neu aufbauen. Puffer wird dann Heizungsseitig die Zentrale auf die der Öler sowie der Walli arbeiten können. Auch dem Öler kommt es zugute wenn er nicht ständig takten muss. Allerdings muss man dem Öler klarmachen dass er nur den oberen Teil des Puffers laden soll. Dazu gibt es ja viele Anschlüsse an solchen Speichern.
Warmwasser jeweils mit Dreiwegeventil laden lassen, entweder vom Walli oder vom Öler. Durch Vorrangschaltung realisieren. Wenn Warmwasser voll, dann gehts ab zum Puffer. Wie schon erwähnt durchmischt es dir damit den Puffer nicht.
Speicher an sich, am besten nimmst du einen komplett nackten, ohne Einbauten und Dämmung, Die beiliegende Dämmung ist meistens Mist. Also am besten selbst dämmen.
Und dass die Zuluft durch den Pufferaufstellraum gezogen wird finde ich nicht so schlecht. Ist bei mir auch so, der Heizraum also die Rohre der Puffer usw. haben zwangsläufig Verluste, damit wird dann schon mal die Verbrennungsluft etwas vorgewärmt.
Grüße
System komplett neu aufbauen. Puffer wird dann Heizungsseitig die Zentrale auf die der Öler sowie der Walli arbeiten können. Auch dem Öler kommt es zugute wenn er nicht ständig takten muss. Allerdings muss man dem Öler klarmachen dass er nur den oberen Teil des Puffers laden soll. Dazu gibt es ja viele Anschlüsse an solchen Speichern.
Warmwasser jeweils mit Dreiwegeventil laden lassen, entweder vom Walli oder vom Öler. Durch Vorrangschaltung realisieren. Wenn Warmwasser voll, dann gehts ab zum Puffer. Wie schon erwähnt durchmischt es dir damit den Puffer nicht.
Speicher an sich, am besten nimmst du einen komplett nackten, ohne Einbauten und Dämmung, Die beiliegende Dämmung ist meistens Mist. Also am besten selbst dämmen.
Und dass die Zuluft durch den Pufferaufstellraum gezogen wird finde ich nicht so schlecht. Ist bei mir auch so, der Heizraum also die Rohre der Puffer usw. haben zwangsläufig Verluste, damit wird dann schon mal die Verbrennungsluft etwas vorgewärmt.
Grüße
Mein Walli
viewtopic.php?f=6&t=60
viewtopic.php?f=6&t=60
Re: Einbau vom Walltherm bei meinen Eltern
Hier kurz das angepasste Schaltungsbild.
Und danke schonmal an euch für die schnelle Hilfe.
Werde heute Abend noch mal etwas dazu schreiben.
Und danke schonmal an euch für die schnelle Hilfe.
Werde heute Abend noch mal etwas dazu schreiben.
Zuletzt geändert von Schneck81 am 4. Jan 2014, 06:44, insgesamt 1-mal geändert.
Re: Einbau vom Walltherm bei meinen Eltern
Also so ist nix!
Der Speicher ist viel zu tief angebunden. Bis ausm Puffer Warmwasser kommt dauert es Stunden. Man macht es eigentlich andersrum, Warmwasser hat Vorrang vor der Heizung! Und die Ladepumpe ist verkehrtrum.
Der Heizkreis ist auch zu niedrig angebunden. So hast du oben im Puffer ein Warmwasserblase die du nicht wieder raus bekommst.
Dann baust du da ein haufen Wegenventile ein, ist unnötig. Zu ner Pumpe gehört immer eine Schwerkraftbremse, dann weiß das Wasser an einem T-Stück auch von selbst wo es lang geht.
Dafür fehlt die Pumpe im Heizkreis und die vom Brenner.
Wollt ihr die Rücklaufanhebung wirklich im WoZi installieren?
mfg JAU
Der Speicher ist viel zu tief angebunden. Bis ausm Puffer Warmwasser kommt dauert es Stunden. Man macht es eigentlich andersrum, Warmwasser hat Vorrang vor der Heizung! Und die Ladepumpe ist verkehrtrum.
Der Heizkreis ist auch zu niedrig angebunden. So hast du oben im Puffer ein Warmwasserblase die du nicht wieder raus bekommst.
Dann baust du da ein haufen Wegenventile ein, ist unnötig. Zu ner Pumpe gehört immer eine Schwerkraftbremse, dann weiß das Wasser an einem T-Stück auch von selbst wo es lang geht.
Dafür fehlt die Pumpe im Heizkreis und die vom Brenner.
Wollt ihr die Rücklaufanhebung wirklich im WoZi installieren?
Das ist schon richtig, aber dafür hat man unnötige Pufferverluste und Verzögerung beim Warmwasser.Oberfranke hat geschrieben:Puffer wird dann Heizungsseitig die Zentrale auf die der Öler sowie der Walli arbeiten können. Auch dem Öler kommt es zugute wenn er nicht ständig takten muss.
mfg JAU
Re: Einbau vom Walltherm bei meinen Eltern
Hab die Zeichnung nochmal angepasst nach deinen Vorschlägen Jau danke dafür.
Sorry das ich mit Heizungsbau noch nicht zuviel zu tun hatte war früher immer nur dort um die Pumpen und die Fühler anzuschließen.
Sind mir jetzt irgendwie schon vile Pumpen im Rücklauf von den Heizkörpern und der WP und der Öler ist das so richtig.
Ihr könnt auch gerne in die Zeichnung was reinschreiben oder Zeichnen bin für eure Vorschläge Dankbar.
Sorry das ich mit Heizungsbau noch nicht zuviel zu tun hatte war früher immer nur dort um die Pumpen und die Fühler anzuschließen.
Sind mir jetzt irgendwie schon vile Pumpen im Rücklauf von den Heizkörpern und der WP und der Öler ist das so richtig.
Ihr könnt auch gerne in die Zeichnung was reinschreiben oder Zeichnen bin für eure Vorschläge Dankbar.
Re: Einbau vom Walltherm bei meinen Eltern
Hallo
das Währe auch eine Möglichkeit das ganze zu verschalten !!
Die frage ist allerdings Wie der Warmwasser Speicher tatsächlich bei ihnen ist ob der überhaupt an den heizkreis angeschlossen werden kann oder ist .
Dann noch ob der Heizkreis noch mit einem mischer versehen werden muss und ob man sich die Hydrauliche weiche Sparen will wenn man den Alten ÖLi dauerhaft durchströmt !! Da ist aber dann die Frage wie Wird der Alte ÖLi geregelt (Kesseltemperatur )?????
Zu beachten ist das es nur eine Chematische darstellung ist und natürlich noch allle sicherheitseinrichtungen und der Gleichen in der Zeichnung fehlen!!
Bei dem Schema ist das Schöne das mann die Anlage so Autark betreiben kann und wenn der walli nicht mehr reicht die Ölheizung übernimmt dank Umschaltventiel im Rücklauf zur Weiche .
Jenachdem wie man das regelt kann man das auch so machen das wenn imm Speicher oben noch eine Höhere Temperatur hercht als die Rücklauftemperatur des Heizkreises herscht der puffer oben noch soweit Ausgekühlt wird bis die Temperatur gleich der Heizkreis Rücklauftemereatur ist und dann wieder Umschaltet und so der Speicher nicht als Forratskammer für den Teuren Öli dient und dort Wärme verliert!!
Gruss Gombi
das Währe auch eine Möglichkeit das ganze zu verschalten !!
Die frage ist allerdings Wie der Warmwasser Speicher tatsächlich bei ihnen ist ob der überhaupt an den heizkreis angeschlossen werden kann oder ist .
Dann noch ob der Heizkreis noch mit einem mischer versehen werden muss und ob man sich die Hydrauliche weiche Sparen will wenn man den Alten ÖLi dauerhaft durchströmt !! Da ist aber dann die Frage wie Wird der Alte ÖLi geregelt (Kesseltemperatur )?????
Zu beachten ist das es nur eine Chematische darstellung ist und natürlich noch allle sicherheitseinrichtungen und der Gleichen in der Zeichnung fehlen!!
Bei dem Schema ist das Schöne das mann die Anlage so Autark betreiben kann und wenn der walli nicht mehr reicht die Ölheizung übernimmt dank Umschaltventiel im Rücklauf zur Weiche .
Jenachdem wie man das regelt kann man das auch so machen das wenn imm Speicher oben noch eine Höhere Temperatur hercht als die Rücklauftemperatur des Heizkreises herscht der puffer oben noch soweit Ausgekühlt wird bis die Temperatur gleich der Heizkreis Rücklauftemereatur ist und dann wieder Umschaltet und so der Speicher nicht als Forratskammer für den Teuren Öli dient und dort Wärme verliert!!
Gruss Gombi
Re: Einbau vom Walltherm bei meinen Eltern
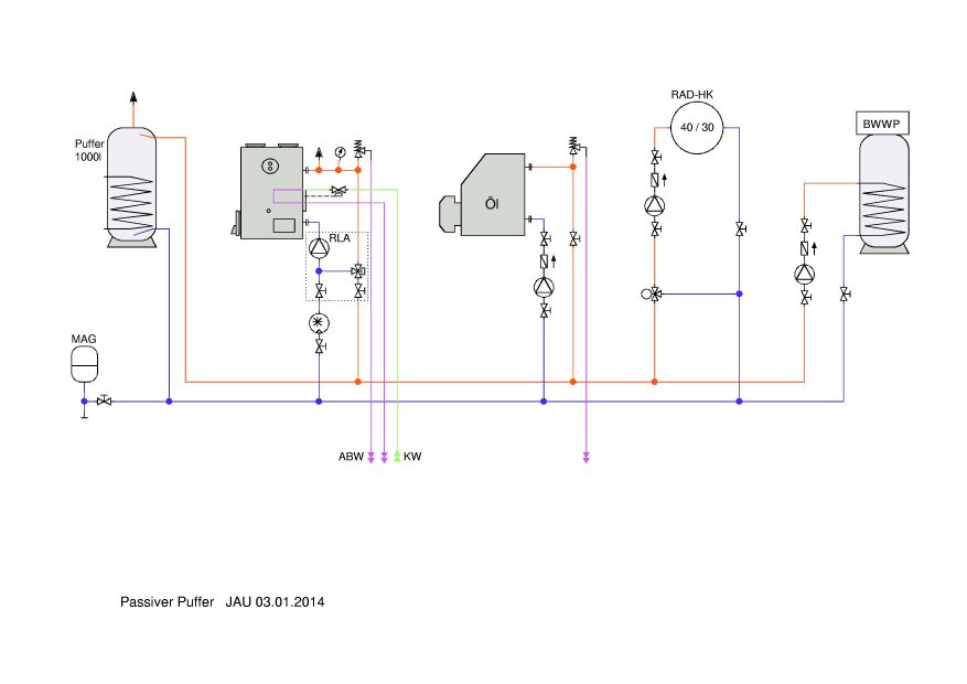
Ich hab mal in meinem Hydraulikbeispielen geschmökert, die Variante die ich vorgeschlagen hatte nennt sich "Passiver Puffer".
Habs auch mal in TAPPS aufgemalt (wenn du UVR programmieren willst brauchst du das eh), im Anhang liegen beide notwendige Dateien.
Da sind jetzt fast alle Komponenten (ein paar Entlüfter und Entleerhähne fehlen) verzeichnet und auch die Pumpen alle an der korrekten Stelle verbaut.
Ja, freilich sind das mehr Pumpen als in einer 08/15-Hydraulik. Auf die Pumpe fürn Heizkessel könnte man wie schon erwähnt verzichten, halt mit den genannten Nachteilen die sich daraus ergeben.
Auf die Pumpe fürn Speicher auch: Wärme die ev. im Puffer vorhanden ist kann dann aber nicht in Speicher umgeschickt werden.
Auch bei der Parallelschaltung ist es möglich die Wärme vom Öler in Puffer zu laden. Nur mit dem Unterschied das man es als programmierbare Option hat, nicht als Muss in Form von Rohrleitungen.
Man muss dazu auch keine Systemkomponenten verwenden, es geht natürlich auch mit ganz normalen Rohren und T-Stücken. Ist halt Arbeitsaufwand...
Zu beachten wäre nur das die Verbindungsleitung zwischen den T nicht zu knapp dimensioniert wird (>=1" hätte ich mal geschätzt) und eher kurz ausfällt (was kein Problem darstellt da Walli, Öler und Heizkreis ja nah beieinander liegen).
Zum Heizungsbauer (Heizungsbauer) hast du jetzt auch noch nix gesagt, neben der Garantie fallen mir noch 2 Gründe ein:
Für ein zinsverbilligtes KfW-Darlehen sind Handwerkerrechnungen nötig, Laienarbeit wird nicht akzeptiert.
Und man kann bei Handwerker die Arbeitskosten (20% Rückerstattung, maximal 1200€ im Jahr) bei der Steuer geltend machen.
mfg JAU
Habs auch mal in TAPPS aufgemalt (wenn du UVR programmieren willst brauchst du das eh), im Anhang liegen beide notwendige Dateien.
Da sind jetzt fast alle Komponenten (ein paar Entlüfter und Entleerhähne fehlen) verzeichnet und auch die Pumpen alle an der korrekten Stelle verbaut.
Ja, freilich sind das mehr Pumpen als in einer 08/15-Hydraulik. Auf die Pumpe fürn Heizkessel könnte man wie schon erwähnt verzichten, halt mit den genannten Nachteilen die sich daraus ergeben.
Auf die Pumpe fürn Speicher auch: Wärme die ev. im Puffer vorhanden ist kann dann aber nicht in Speicher umgeschickt werden.
Dazu noch was:Oberfranke hat geschrieben:Auch dem Öler kommt es zugute wenn er nicht ständig takten muss.
Auch bei der Parallelschaltung ist es möglich die Wärme vom Öler in Puffer zu laden. Nur mit dem Unterschied das man es als programmierbare Option hat, nicht als Muss in Form von Rohrleitungen.
Man muss dazu auch keine Systemkomponenten verwenden, es geht natürlich auch mit ganz normalen Rohren und T-Stücken. Ist halt Arbeitsaufwand...
Zu beachten wäre nur das die Verbindungsleitung zwischen den T nicht zu knapp dimensioniert wird (>=1" hätte ich mal geschätzt) und eher kurz ausfällt (was kein Problem darstellt da Walli, Öler und Heizkreis ja nah beieinander liegen).
Zum Heizungsbauer (Heizungsbauer) hast du jetzt auch noch nix gesagt, neben der Garantie fallen mir noch 2 Gründe ein:
Für ein zinsverbilligtes KfW-Darlehen sind Handwerkerrechnungen nötig, Laienarbeit wird nicht akzeptiert.
Und man kann bei Handwerker die Arbeitskosten (20% Rückerstattung, maximal 1200€ im Jahr) bei der Steuer geltend machen.
mfg JAU
- Dateianhänge
-
- passiv.par
- (148.58 KiB) 615-mal heruntergeladen
-
- passiv.eng
- (31.14 KiB) 548-mal heruntergeladen
Re: Einbau vom Walltherm bei meinen Eltern
Mensch Gombi, jetzt haben sich unsere Beiträge gerade überschnitten.
Was mir aufn ersten Blick auffällt: Die Pumpen zu Speicher und Heizkreis sind falsch rum und zweite müsste auch im Vorlauf sein wenn dann ein Mischer mit drin ist.
Dann ist das was du am Öler eingezeichnet hast vermutlich ein Wärmetauscher, das ist was völlig anders als eine hydraulische Weiche (das ist nicht direkt ein Bauteil, eher die Stelle im System an der sich die Volumenströme sammeln und ausgleichen oder verstärken, bei Oberfrankes Vorschlag wäre der Puffer die Weiche).
Was die Regelung angeht wurde ja schon erwähnt das eine UVR zum Einsatz kommen soll. Das bedeutet fürn Öler das dessen bisherige Regelung tot gestellt wird (bzw. Handbetrieb), Pumpen auf UVR umklemmen, neuer Kesselfühler zur UVR, potentialfreier Kontakt von der UVR in der Brennerschleife und das Thermostat auf Maximum.
mfg JAU
Was mir aufn ersten Blick auffällt: Die Pumpen zu Speicher und Heizkreis sind falsch rum und zweite müsste auch im Vorlauf sein wenn dann ein Mischer mit drin ist.
Dann ist das was du am Öler eingezeichnet hast vermutlich ein Wärmetauscher, das ist was völlig anders als eine hydraulische Weiche (das ist nicht direkt ein Bauteil, eher die Stelle im System an der sich die Volumenströme sammeln und ausgleichen oder verstärken, bei Oberfrankes Vorschlag wäre der Puffer die Weiche).
Was die Regelung angeht wurde ja schon erwähnt das eine UVR zum Einsatz kommen soll. Das bedeutet fürn Öler das dessen bisherige Regelung tot gestellt wird (bzw. Handbetrieb), Pumpen auf UVR umklemmen, neuer Kesselfühler zur UVR, potentialfreier Kontakt von der UVR in der Brennerschleife und das Thermostat auf Maximum.
mfg JAU
Zuletzt geändert von JAU am 3. Jan 2014, 21:09, insgesamt 2-mal geändert.
Grund: Tippfehler, Massenweise...
Grund: Tippfehler, Massenweise...
Wer ist online?
Mitglieder in diesem Forum: 0 Mitglieder und 4 Gäste